|
Product Details:
|
| Product Name: | Tunnel Mucking Loader | Usage: | Mining Core |
|---|---|---|---|
| Color: | Customer's Request | Advantage: | High Capacity |
| Application: | Mining Equipment | Certificate: | ISO CE |
The mucking loader can only be loaded into the recycling and transportation vehicle by using equipment with a sufficient traction capacity.
• The lifting point specified by the manufacturer shall be used.
• During loading and transporting, the mucking loader and the required auxiliary devices shall be fixed to prevent unnecessary movement.
• The slurry, snow cover and ice cube on the running mechanism and the chassis of the mucking loader shall be cleaned so as to avoid the risk of slipping on the loading ramp.
• If a truck, light loader or train is used for transport, then a check block shall be used to fix the mucking loader and fasten it at the binding point.
• Before departure, first check the transport route and confirm whether the road is wide enough, and whether the passage and entrance below the bridge are large enough, and whether roads and bridges have adequate carrying capacity.
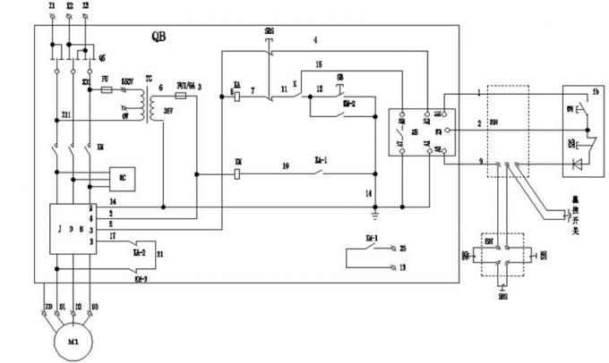
Electrical system drawing

Contact Person: Ms. Icy Guo
Tel: +8619811866598